MENÜ

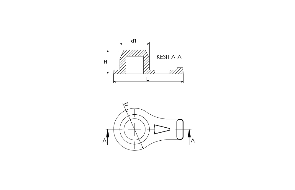
Inner hole threaded soft plug

Inner hole threaded soft plug

The soft plug with internal tabs is easily installed due to its soft structure. It provides flexibility to fit perfectly into the hole that needs to be sealed. Thanks to its tabs, it can also be easily removed. The main industries where it is used include powder coating companies, automotive, hydraulic, sandblasting, and chemical sectors. It provides full protection against moisture, dust, and liquids from external sources. Being made from original raw materials, it is suitable for recycling. You produce, we protect.